Terdapat dua jenis rangkaian penyearah satu gelombang penuh tak terkontrol, diantaranya Penyearah Dengan Tap Tengah (2 dioda) dan Penyearah Jembatan (Bridge/4 dioda). Keduanya memiliki hasil keluaran yang sama, yaitu berupa dua buah bagian positif dalam satu panjang gelombang dari yang inputannya adalah berupa setengah bagian positif dan setengah bagian negatif dalam satu panjang gelombang. Untuk lebih jelasnya, berikut adalah rangkaian dari penyearah satu fasa gelombang penuh tak terkontrol.
Penyearah Dengan Tap Tengah (2 Dioda)
Penyearah Dengan Tap Tengah (2 dioda)
Gambar diatas merupakan penyearah dengan tap tengah (2 dioda). Dari gambar tersebut dapat diketahui bahwa rangkaian ini memiliki 2 proses kerja utama, yaitu
1. Ketika kaki trafo paling atas bernilai positif, maka dioda 1 (D1) akan bias maju. Dilain sisi, kaki trafo paling bawah bernilai negatif, maka dioda 2 (D2) akan bias mundur. Arus akan mengalir bila dioda bias maju. Karena yang bias maju adalah dioda 1 (D1), maka arus mengalir padanya dan menuju ke beban, lalu akan mengalir lagi ke trafo melalui kaki tengah.
2. Ketika kaki trafo paling atas bernilai negatif, maka dioda 1 (D1) akan bias mundur. Dilain sisi, kaki trafo paling bawah bernilai positif, maka dioda 2 (D2) akan bias maju. Arus akan mengalir bila dioda bias maju. Karena yang bias maju adalah dioda 2 (D2), maka arus mengalir padanya dan menuju ke beban, lalu akan mengalir lagi ke trafo melalui kaki tengah.
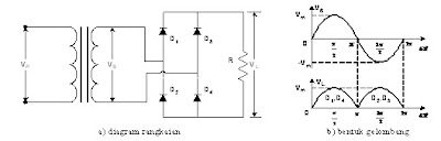
Penyearah Jembatan (Bridge/ 4 Dioda)
Penyearah Jembatan (Bridge/ 4 Dioda)
Dari gambar diatas, dapat diketahui bahwa rangkaian tersebut memiliki dua siklus kerja utama, yaitu
1. Ketika tegangan input kaki trafo atas bernilai positif, maka dioda 1 (D1) dan dioda 4 (D4) akan bias maju. Dilain sisi, tegangan input kaki trafo bawah bernilai negatif, dioda 2 (D2) dan dioda 3 (D3) akan bias mundur. Karena arus mengalir pada dioda yang bias maju, maka arus mengalir dari kaki trafo atas ke D1 lalu ke beban lalu ke D4 dan kembali ke trafo melalui kaki bawah.
2. Ketika tegangan input kaki trafo atas bernilai negatif, maka dioda 2 (D2) dan dioda 3 (D3) akan bias maju. Dilain sisi, tegangan input kaki bawah bernilai positif, dioda 1 (D1) dan dioda 4 (D4) akan bias mundur. Karena arus mengalir pada dioda yang bias maju, maka arus mengalir dari kaki trafo bawah ke D3 lalu ke beban lalu ke D2 dan kembali ke trafo melalui kaki atas.
Tegangan keluaran dari rangkaian diatas, dapat dicari dengan menggunakan persamaan berikut :
Sumber Gambar : electronicsjmbh.blogspot.com










0 Komentar